在许多传感器应用中,有必要对信号进行滤波,以去除杂散高频分量(包括噪声),或从峰均比(PAR)大于1的波动信号中提取平均值。例如:全波整流正弦波的 PAR 为 1.57,升余弦波的 PAR 为 2,半波正弦波的 PAR 为 3.14;而含有大幅值尖峰的信号,其 PAR 可能达到 10 或更高。
在实现滤波器时,必须考虑 PAR,以确保 AD8208 前置放大器(A1)的输出在进入 A2 之前不发生削波;否则,非线性失真将被平均化,并在输出端表现为误差。为避免此类误差,两个放大器应同时进入削波状态。这一条件可通过使 PAR 不超过第二级放大器的增益来实现(默认配置下该增益为 2)。例如,若预期 PAR 为 5,则应将 A2 的增益提升至 5。
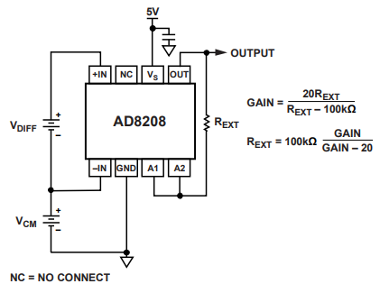
可利用 AD8208 电子元件提供的功能,通过多种方式实现低通滤波器。最简单的情况是单极点滤波器(滚降率为 20 dB/十倍频程):将引脚 3 与引脚 4 短接,并通过内部 100 kΩ 电阻将 A1 输出连接至 A2 输入,再从此节点对地接入一个电容,如图 1 所示。若在该电容两端并联一个电阻以降低增益,则截止频率会相应升高;因此,此时增益应按该电阻与 100 kΩ 电阻的并联值计算。

图1
如果如图 2 所示,通过外接电阻提高增益,则截止频率会以相同比例降低。例如,使用 200 kΩ 电阻(此时增益加倍),会使截止频率缩放至 0.796 Hz·μF(对于 20 Hz 截止频率,对应电容值为 0.039 μF)。

图2
采用图 3所示的连接方式,可实现滚降率为 40 dB/十倍频程的双极点滤波器。此配置是一种基于 ×2 放大器的 Sallen-Key 结构。

图3
值得注意的是:一个截止频率为 f₂ 的双极点滤波器,与一个截止频率为 f₁ 的单极点滤波器,在衰减特性上等效——即满足 40 log(f₂/f₁),如图 4 所示。

图4
使用图 3 中的标准电阻值和相等容量的电容时,截止频率可方便地按 1 Hz·μF 缩放(对于 20 Hz 截止频率,对应电容值为 0.05 μF)。当电阻值降至 196 kΩ 时,可获得最大平坦响应,此时截止频率缩放至 1.145 Hz·μF。输出偏移电压约升高 5 mV(相当于输入引脚处的 250 μV)。