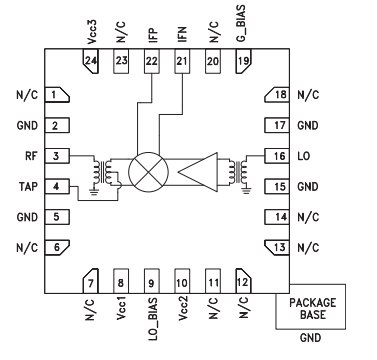
HMC689LP4(E) 是一款高动态范围、无源 MMIX(混频器)芯片,集成低噪声放大器(LO 放大器),采用 4×4 mm SMT QFN 封装,工作频率覆盖 2.0 – 2.7 GHz。
在 3G 和 4G GSM/CDMA 应用中,HMC689LP4(E) 下变频性能优异,输入三阶截点(IP3)高达 +32 dBm,且仅需 0 dBm 的本振(LO)驱动功率。当输入 1 dB 压缩点为 +23 dBm 时,RF 端口可接受宽范围的输入信号电平。典型转换损耗为 7.5 dB。

该器件的直流至 800 MHz 中频(IF)频率响应可满足 GSM/CDMA 发射或接收频段规划要求。
HMC689LP4(E) 与 HMC688LP4(E) 引脚兼容 —— 后者是一款 2.0 – 2.7 GHz 混频器,内置 LO 放大器,专为低边本振(Low Side LO)应用优化设计。
具备的特征
高输入IP3:+32 dBm
低转换损耗:7.5 dB
低LO驱动:0 dBm
针对高端LO输入进行了优化
上转换和下转换应用程序
24引脚4x4mm SMT封装:16mm²
常见应用
HMC689LP4(E)非常适合:
•蜂窝/3G和LTE/WiMAX/4G
•基站和中继器
•GSM、CDMA和OFDM
•发射器和接收器