LTC1562 是一款具有轨至轨输入和输出的低噪声、低失真、连续时间滤波器电子元器件,其专为 10kHz 至 150kHz 的中心频率 (f0) 而优化。其功能呢描述如下所示:
功能描述
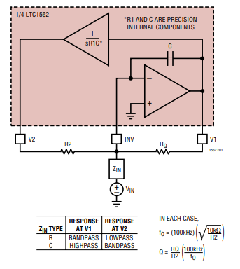
LTC1562 包含四个匹配良好的二阶、三端子通用连续时间滤波器模块,每个模块均具有一个虚拟地输入节点(INV)和两个轨到轨输出端(V1, V2)。在基本应用中,一个滤波器模块配合三个外部电阻可同时提供二阶低通和带通响应(可见下图,其中使用了一个阻值为 Z_IN 的电阻)。这三个外部电阻用于设定标准二阶滤波器参数:中心频率 f₀、品质因数 Q 和增益。

通过内部精密元件与外部电阻 R2 的组合,可设定每个二阶滤波器模块的中心频率 f₀。LTC1562 在出厂时已进行微调,确保当外部电阻 R2 精确为 10kΩ 时,f₀ = 100kHz ±0.5%(PDIP 封装典型值为 ±0.6%)。
然而,低通/带通滤波仅是 LTC1562 中二阶/带通模块的一种特定应用。若文中图片中的外部阻抗 Z_IN 变为电容 C_IN(其值仅影响增益,不影响关键频率),则可获得高通响应。此外,通过其他连接方式还可实现零点响应。而且,由于每个二阶模块均采用虚拟地输入结构,因此具备多种运算能力,例如:
增益(预放大)
多路输入求和与加权
处理超出电源电压范围的输入信号
直接接受电流或电荷信号
这些 Operational Filter™ 频率选择性构建模块的性能几乎可与运算放大器媲美。