正确使用情况下,LTC1562 滤波器电子元件可承受远超其供电电压的输入信号摆幅。这要求在设计时加以注意——例如,当需要从较小期望信号中滤除大带外干扰时,该特性非常有用。
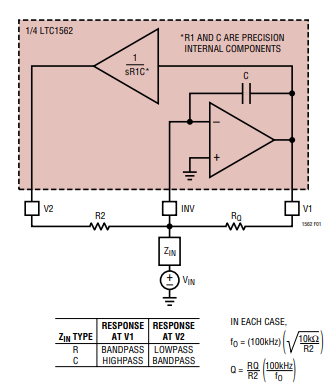
这种对宽范围输入电压的灵活性源于 INV 输入端处于“虚拟地”电位,类似于带有负反馈的运算放大器的反相输入端。LTC1562 本质上响应的是输入电流,而外部阻抗 Z_IN(下图)两端仅出现输入电压 V_IN。

为接受超出电源电压范围的输入信号,必须确保:
LTC1562 始终处于上电状态(非关断模式);
避免使接收输入的二阶模块的 V1 或 V2 输出饱和。
若违反上述任一条件,INV 输入将偏离虚拟地电位,导致过载状况,其恢复时间取决于具体电路细节。如果此过载迫使 INV 输入超出电源电压范围,则可能损坏 LTC1562。
防止过载最微妙的一点是:需考虑所有可能的输入信号或频谱,并确保没有任何一个信号会驱动 V1 或 V2 达到电源轨极限。请注意,即使某个通道未被用作信号输出,也不允许其输出饱和。如有必要,可通过降低通带增益(即增大文中图片中的 Z_IN 阻抗)来减小输出摆幅。
最后需要解决的问题是:电流和电压限制。流入虚拟地 INV 节点的电流最终会流经驱动 V1 和 V2 的输出电路。因此,输入电流幅度(|V_IN / Z_IN|,见图3)应通过设计限制在小于 1mA,以保证良好的失真性能。另一方面,输入电压 V_IN 出现在外部元件 Z_IN(通常为电阻或电容)两端。该元件当然必须额定能承受施加于其上的电压幅值。