高效率、低EMI降压型稳压器广泛见诸于汽车、工业、医疗和电信环境,用于依靠多种输入源为各式各样的应用供电。特别是在电池供电型应用中,大量时间处于待用模式,因而要求所有的电气电路以低静态电流工作,旨在延长电池运行时间。
LT8606/LT8607/LT8608 是一个单片式降压型稳压器系列,专为具有宽输入电压范围、低EMI水平和小解决方案尺寸的应用而优化。该系列的所有器件均采用耐热性能增强型10引脚MSE封装和8引脚2 mm x 2 mm DFN封装,因而可安放在狭小的空间里。如表1所示,它们的不同之处在于输出电流能力。

表1. LT860x系列特性对比
在必须保持低空载电流的电池供电型应用中,LT8606/LT8607/LT8608的低IQ是不可或缺的。这些器件具有突发模式 (Burst Mode?) 特性,即使在调节输出电压的情况下,其从输入源消耗的静态电流也仅为2.5 μA,从而尽可能长地保持电池待用时间。3 V~42 V的宽输入电压范围可满足工业和汽车应用的苛刻要求,此类应用的显著特征是缺少稳定的高质量电压源。这三款器件采用10引脚MSE封装,而且还拥有扩展频谱操作能力,以满足超低EMI辐射要求。
电路说明和功能
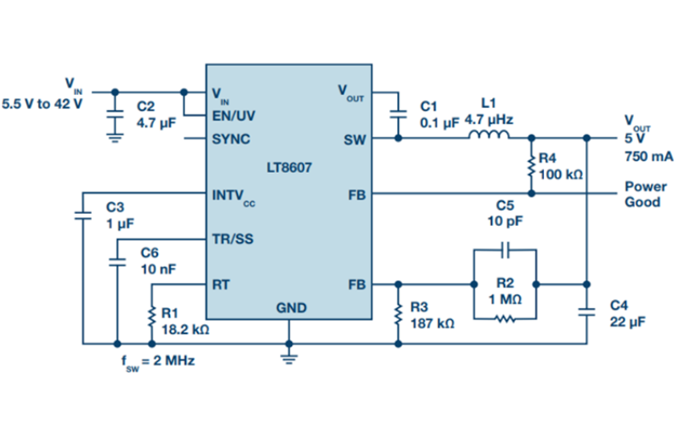
图1示出了一款基于10引脚LT8607稳压器的5 V输出电源。输入电压扩展至高达42 V,输出被设定为5 V(在750 mA),并具有2 MHz的开关频率。构成这款完整的解决方案仅需少量的额外组件,包括电感器L1和几个无源组件。如图2所示,此电路能实现92.5%的峰值效率。

图1. 高效率LT8607 12 V至5 V同步降压型转换器。

图2. 基于LT8606/LT8607/LT8608的12 VIN至5 VOUT降压型转换器的效率 与负载电流关系曲线。
突发模式操作可改善轻负载效率
对于电池供电型应用来说,在轻负载运行和无负载待用模式期间,高效率和低闲置电流是非常重要的特性。LT8606/LT8607/LT8608的2.5 μA静态电流和突发模式操作选项是这些要求的理想解决方案。在轻负载和无负载情况下,基于LT8606/LT8607/LT8608的转换器逐渐地降低开关频率,从而降低开关功耗,并保持低输出电压纹波。图3给出了图1所示解决方案的轻负载效率。

图3. 图1所示电路的效率和功耗与负载电流的关系曲线。
高开关频率和超低EMI辐射
在汽车、工业、计算和电信环境中,除了效率之外,还要求具备EMI/EMC合规性。使用较高的开关频率虽可减小解决方案尺寸,但代价则往往是增加EMI辐射。LT8606/LT8607/LT8608的集成型MOSFET、内置补偿电路和2.2 MHz工作频率最大限度缩减了解决方案尺寸,但是它们也实现了卓越的EMI性能,这是因为采用了先进的工艺技术。开关频率的扩展频谱模式操作能够进一步降低EMI辐射。图4给出了图1所示解决方案的CISPR 25 EMI测试结果。

图4. 图1所示电路的CISPR 25辐射EMI性能。
结论
LT8606/LT8607/LT8608是简单易用的单片式降压型稳压器,具有集成化功率MOSFET和内置补偿电路。这些器件专门针对那些要求宽输入电压范围和低EMI噪声的应用而优化。这些器件的2.5 μA静态电流和突发模式操作选项使其成为电池供电型降压转换器的理想解决方案,可显著延长电池待用时间。200 kHz至2.2 MHz的开关频率范围使得它们适合大多数低功率至微功率应用。集成型MOSFET连同高达2.2 MHz的开关频率能力极大地缩小了解决方案总尺寸。CISPR 25扫描结果显示了它们出色的辐射EMI性能,因而符合最严格的EMI标准。
● 宽输入电压范围:3.0V 至 42V
● 超低静态电流突发模式 (Burst Mode?) 操作:
○ <3μA IQ (调节 12VIN 至 3.3VOUT)
○ 输出纹波 <10mVP-P
● 高效率 2MHz 同步操作:
○ >92% 效率 ( 0.35A,12VIN 至 5VOUT)时
● 最大连续输出电流:350mA
● 最短快速导通时间:35ns
● 可调及可同步频率范围:200kHz 至 2.2MHz
● 扩展频谱频率调制用于实现低 EMI
● 允许使用小的电感器
● 低压差
● 峰值电流工作模式
● 精确的 1V 使能引脚阈值
● 内部补偿
● 输出软起动和跟踪
● 小尺寸散热增强型10引脚MSOP封装或8引脚2mm × 2mm DFN封装