高性能通信、服务器和计算系统中的ASIC、FPGA和处理器需要使用能直接从12 V或中间总线生成1.0 V(或更低)电压的核心电源——最大负载电流有时候可能高于200 A。这些电源必须满足严格的效率和性能规格,且通常具备相对较小的PCB尺寸。LTC7852/LTC7852-1 6相双输出降压控制器为这些电源提供高性能的灵活解决方案。
LTC7852/LTC7852-1旨在实现高效率,LTC7852每个相都不使用内部栅级驱动器,且都可以生成一个与电源模块、DrMOS,或外部栅极驱动器和分立式MOSFET连接的PWM输出。DrMOS器件将栅极驱动器和MOSFET集成在一个封装中,以实现整体尺寸更小的解决方案和更高的效率。它们主要适用于12 V输入电压。外部栅极驱动器和MOSFET具有出色的散热性能,并且可以在更高的输入电压下工作。LTC7852采用亚mΩ DCR检测架构,可以准确检测电流,其DCR值仅为0.2 mΩ,如此可以大幅降低传导损耗。LTC7852-1专用于和DrMOS器件配套使用,后者自行提供电流检测信号。
每个输出都经过差分检测,电压范围为0.5 V至2.0 V(2.0 V限值仅适用于LTC7852),总调节精度为±0.5%。由于LTC7852和LTC7852-1从外部5 V电源偏置,而不是从输入电压偏置,所以转换器的输入电压范围不受IC限制。其开关频率范围为250 kHz至1.25 MHz,但其40 ns最小导通时间可以实现高降压比。
可以通过PHCFG引脚选择3+3、4+2和5+1双输出相位配置。在3+3配置中,两个输出可以并联用于最大负载电流为240 A的6相转换器。使用一个6相控制器,而不是两个3相控制器或三个2相控制器可大大简化设计和布局。仅需两个控制器即可实现最高12相操作。
LTC7852采用5 mm × 6 mm GQFN封装,LTC7852-1采用4 mm × 5 mm QFN封装。
6相高效率核心电源
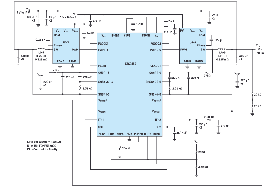
图1所示为1个6相1.0 V/200 A LTC7852转换器,其开关频率为400 kHz,采用12 V输入。每个相的功率级包含一个5 mm × 5 mm DrMOS和一个0.25 ?H铁氧体电感,DCR典型值为0.325 mΩ,最终满负载效率为90.0%(图2)。在室温下满负载,200 LFM气流的热点温度为78°C(图3)。受严格均流影响,电感之间的温差低于6°C。

图 1. 采用 FDMF5820DC DrMos 的 6 相 1.0 V/200 A LTC7852 转换器的原理图 FSWITCH = 400 kHz。

图 2. 图 1 中的电路在 V IN = 7 V 、 10 V 、 12 V 和 14 V 时的效率图。

图 3. 图 1 中的电路在 V IN = 12 V 、满负载、 24°C 环境温度和 200 LFM 气流下的热图像。
亚mΩ DCR检测
LTC7852采用专有的峰值电流模式亚mΩ DCR检测架构来改善电流检测信号的信噪比。电感中的DCR检测滤波器为SNSP和SNSN引脚提供放大的交流信号。第二个滤波器与第一个级联,为SNSP和SNSAVG引脚提供直流信号。LTC7852放大直流信号,并与交流信号求和,以重建信号。重建信号是原始信号的5倍,因此可以在DCR值低至0.2 mΩ时稳定且干净地运行。
输出电流监测和过流保护
LTC7852的IMON1和IMON2信号生成与对应通道的负载电流呈比例的信号,并以V1P5引脚作为电压基准。此信号可被电源监测器或ADC及微控制器用于进行负载检测。
逐周期限流是峰值电流模式架构固有的优势。打嗝模式限流提供额外保护。如果发生过流故障超过32个周期,则转换器按照软启动电容的设置,在一段时间内停止开关。这段间隔时间结束之后,开关操作通过软启动恢复切换。如图4所示,在故障期间,转换器按相对较短的周期开关,这使得MOSFET和电感受到的热应力大大降低。

图 4. 打嗝模式过流保护和恢复。
结论
LTC7852/LTC7852-1是一款灵活的高性能6相双输出降压控制器,旨在通过DrMOS、电源模块,或外部栅极驱动器和MOSFET提供高效率和高度可靠的电源。其特性包括:亚mΩ DCR检测(LTC7852)、可选择的相位配置、总调节精度为±0.5%的0.5 V基准电压源、差分输出检测、250 kHz至1.25 MHz的开关频率范围,以及打嗝模式限流保护。