Pentronic推出了一款热电偶,专门用于测量表面温度,其测量端头装有自粘聚酰亚胺薄膜。这款热电偶适用于在平面或管道上进行临时或长期的温度测量。其应用领域广泛,常见于研发工作。扁平的测量端头和直径仅0.25毫米的细线,确保了极快的响应时间——仅需数秒即可。新款传感器型号也已研发成功,其设计更加灵活多变,能更好地满足客户对电缆长度及连接器样式的多样化需求。
聚焦高性能模拟与数模混合产品的供应商思瑞浦3PEAK推出16位单通道、高精度、全集成数模转换器(DAC) TPC2201,产品支持HART通信协议输入,可实现单通道0mA~20mA电流输出及±10V的电压输出。同时,TPC2201支持菊花链模式,可广泛应用在工业自动化和过程控制等领域。
TPC2201产品优势
高精度电压输出
在AVDD±15V供电、DVDD内部LDO和内部基准条件下,经过两点校准测量,TPC2201电压输出精度表现出色,常温下误差极低,精度可达0.0025% FSR。

高精度电流输出
在相同的供电和校准条件下,TPC2201电流输出精度同样表现出色,常温下误差极低,精度可达0.0035% FSR。

低温漂
TPC2201在全温范围内(-40℃ ~ 125℃)同样表现出色。
在电流输出方面,TPC2201输出温漂仅为±5.5ppm FSR/°C,最大总不可调整误差为0.125% FSR(Typ.)。

在电压输出方面,TPC2201输出温漂仅为±1.5ppm FSR/°C,最大总不可调整误差为±0.02% FSR(Typ.)。

温升性能卓越
在负载电阻为0Ω,工作电流为24mA,24V电源的测试环境下。TPC2201在无自适应电源的条件下,温升约为23℃;在自适应电源的条件下,温升约为15℃。

TPC2201产品特性
16位精度
电流输出
支持多种电流输出范围:4mA~20mA, 0mA~20mA, 0mA~24mA
总不可调整误差最大值:0.06%FSR(@25℃)
输出温漂:±5.5ppm FSR/°C
电压输出
支持多种电压输出范围:0V~5V,0V~10V,-5V~5V,-10V~10V
总不可调整误差最大值:0.07%FSR(@25℃)
10%过量程输出
输出温漂:±1.5ppm FSR/°C
片上集成报警功能
CRC校验功能
看门狗功能
电流输出开路报警或者电源欠压报警
过温报警(超过150℃)
电压输出短路保护
内部基准温漂4ppm/°C
内部集成LDO输出
支持灵活的SPI通信协议,支持菊花链功能
工作温度范围:-40°C ~ 125°C
封装:TPSSOP、QFN
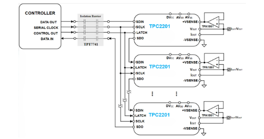
TPC2201典型应用
TPC2201作为专为模拟量输出设计的高精度数模转换器DAC,特别适用于单通道的隔离型或非隔离型工业自动化和过程控制领域。
TPC2201提供经济且高效的单芯片解决方案,可实现高精度电流环路输出、单极或双极电压输出。用户可通过控制寄存器灵活配置电流或电压输出类型,从而满足多样化应用需求。

同时,TPC2201支持灵活的菊花链模式,可实现单一通讯接口控制多路输出。

来源:思瑞浦3PEAK
免责声明:本文为转载文章,转载此文目的在于传递更多信息,版权归原作者所有。本文所用视频、图片、文字如涉及作品版权问题,请联系小编进行处理。