AD633是一款功能完整的四象限模拟乘法器,包括高阻抗差分X和Y输入以及高阻抗求和输入(Z)。低阻抗输出电压为10 V标称满量程,由一个嵌入式齐纳二极管提供。AD633是首款采用价格适中的8引脚PDIP和SOIC封装提供这些功能的产品。

AD633经过激光校准,保证总精度为满量程的2%。在10 Hz至10 kHz带宽内,Y输入的非线性典型值小于0.1%,折合到输出端的噪声典型值低于100 μV均方根。AD633具有1 MHz带宽和20 V/μs压摆率,并且能驱动容性负载,适合各种注重简单和成本的应用。
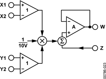
AD633的简单易用并不影响其多功能性。用户可以通过Z输入访问输出缓冲放大器,从而可以将两个或更多乘法器的输出相加,提高乘法器增益,将输出电压转换为电流,以及配置各种应用。
AD633提供8引脚PDIP和SOIC两种封装,J级的额定工作温度范围为0°C至70°C商用温度范围,A级为?40°C至+85°C工业温度范围。
产品聚焦
AD633是一款完整的四象限乘法器,采用低成本8引脚PDIP和SOIC封装,性价比高,易于使用。
应用AD633时,无需外部器件或执行昂贵的用户校准。
单芯片结构和激光校准使这款器件稳定可靠。
高输入阻抗(10 MΩ)使得信号源负载可忽略不计。
电源电压范围为±8 V至±18 V。内部调整电压由一个稳定的齐纳二极管产生;乘法器精度基本上对电源不敏感。
应用
乘法、除法、平方运算
调制/解调、相位检测
电压控制放大器/衰减器/滤波器
四象限乘法
低成本8引脚SOIC和PDIP封装
结构完整,无需外部器件
高精度激光调整,稳定可靠
总误差在满量程的2%以内
差分高阻抗X和Y输入
高阻抗单位增益求和输入
经过激光调整的10 V比例基准电压源
支持防务和航空航天应用(AQEC标准)
下载AD633-EP数据手册(pdf)
军用温度范围(?55℃至+125℃)
受控制造基线
唯一封装/测试厂
唯一制造厂
增强型产品变更通知
认证数据可应要求提供
V62/18603 DSCC图纸号