ADHV4702-1 是一款高压(220 V)、单位增益稳定精密运算放大器。ADI公司的新一代专有半导体工艺和创新架构使该精密运算放大器能够以±110 V的对称双电源、非对称双电源或220 V单电源供电。

业界首款220 V精密运算放大器
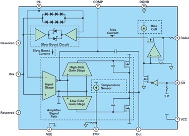
ADHV4702-1具有170 dB的典型开环增益(AOL)和160 dB的典型共模抑制比(CMRR)。ADHV4702-1的最大输入失调电压(VOS)漂移为2 ?V/°C,输入电压噪声为8 nV/√Hz。ADHV4702-1出色的直流精度与出色的动态性能相辅相成,小信号带宽为10 MHz,压摆率为74 V/?s。ADHV4702-1的输出电流典型值为20 mA。此外,它还具有一些独特功能,例如可调供电电流、升压电路和EPAD焊盘因为与内部隔离可以灵活的加偏置电压,这些功能让其成为各类应用的理想高压解决方案。
应用
ADHV4702-1是市场上第一款提供高电压和精密性能的小尺寸放大器。ADHV4702-1解决了多个设计难题,可以用于多种不同应用,例如自动测试设备、生命科学、激光雷达和医疗健康。在自动测试设备应用中,此器件可用于测量高压侧的电流,以及生成精准的高压电源。在生命科学领域,ADHV4702-1可以对质谱系统实施精准的高压控制。在激光雷达应用中,它可以用于精确控制APD偏压。在医疗应用中,本产品可用于准确控制硅光电倍增管的偏压点。

12引脚、7 mm × 7 mm LFCSP封装,符合IEC 61010-1间距
ADHV4702-1采用12引脚7mm × 7mm引线框架芯片级封装(LFCSP),带有裸露焊盘,符合国际电工委员会IEC 61010-1爬电距离和电气间隙标准。采用这种封装之后,无需使用DC-DC转换器和浮动电源等支持组件,因此大幅缩小了解决方案的尺寸,并简化了系统架构。

