兆亿微波商城出售原装现货HMC553LC3B,作为ADI优势分销商,兆亿微波商城拥有繁多的现货库存可供广大客户采购,如果您有小批量采购意向,可以直接到兆亿微波商城在线交易即可。

HMC553LC3B是一款通用双绞线无铅RoHS兼容SMT中的平衡混音器可以用作上变频器或上变频器的组件7至14 GHz之间的下变频器。这个搅拌机采用砷化镓MESFET工艺制造,以及不需要外部元件或匹配电路。HMC553LC3B提供出色的LO至由于优化了巴伦,射频和本振到中频隔离结构和操作的LO驱动电平低至+9 dBm。符合RoHS标准的HMC553LC3B无需引线键合,并且兼容具有大批量表面贴装制造能力技术。
特征
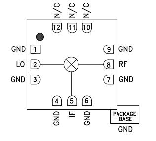
功能图
无源双平衡拓扑
高本振/射频隔离:50 dB
低转换损耗:7 dB
宽中频带宽:DC-5GHz
坚固的1000V ESD,1C级
12芯陶瓷3x3mm贴片封装:9mm2
电气规格,TA=+25°C,IF=100 MHz,LO=+13 dBm*
典型应用
HMC553LC3B适用于:
点对点无线电
点对多点无线电
测试设备和传感器
军事最终用途