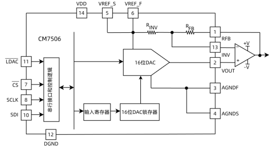
CM7506是一款16位无缓冲电压输出数模转换器 (DAC) ,其支持XY2-100协议的数字逻辑设计,专门针对激光振镜控制器用户。CM7506采用2.7V至5.5V单电源供电,可在全温范围内保证输出电压的单调性。无缓冲器的设计,使得DAC具有极低的功耗,仅有290μA的静态电流,以及0.5LSB的低零码失调误差。
CM7506支持2V至VDD的基准电压输入范围。电压输出摆幅为0V至VREF。CM7506内部集成了精确匹配的电阻串,通过与片外精密运算放大器配合,可在 RFB上产生最大±VREF摆幅的双极性电压输出。

CM7506采用SPI/QSPI/MICROWIRE兼容型三线串行接口,能够以高达50MHz的时钟速率运行,并可直接与光耦合器相连,以满足特定应用的需求。上电时,复位电路将CM7506输出至中间电平。
特征
单电源供电:2.7V~5.5V
低电源电流:290μA
INL误差:±0.5LSB
低毛刺脉冲:1nV·s
短建立时间:1μs
全温范围内保证输出电压单调性
电压输出可直接驱动60kΩ负载
50MHz SPI/QSPI/MICROWIRE兼容型串行接口
上电复位将DAC输出至中间电平
补偿基准源电流
SOP14 8.7mm×3.9mm封装
应用
激光振镜控制器
高精度仪器仪表校准电路
过程控制和工业自动化
自动测试设备
精密信号源
如有芯片型号需求及选型,可直接联系兆亿微波电子元器件采购商城。