操作说明

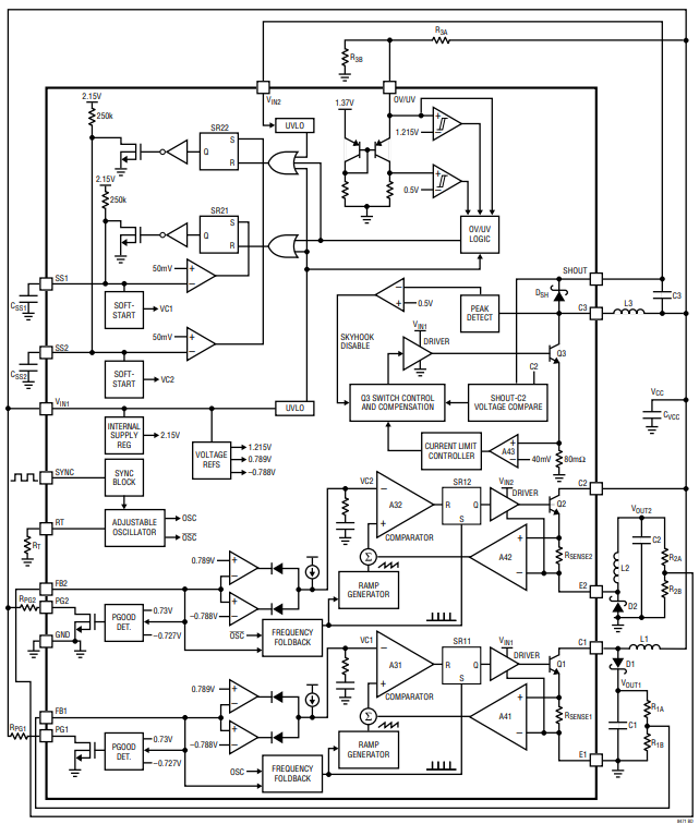
LT8471包含两个主通道,每个通道配有一个2A的功率开关。此外,还集成了一个Skyhook通道,配有一个500mA的功率开关,用于在主通道进行降压转换时提供支持。当E1(或E2)接地时,Vin与E1(或Vin2与E2)之间的最大电压为40V,适用于升压(boost)、SEPIC、反激(flyback)和双电感反相(dual-inductorinverting)拓扑结构。当E1(或E2)允许切换时(如降压(buck)、ZETA和单电感反相拓扑),Vin1与E1(或Vin2与E2)之间的最大允许电压为60V。
主通道
两个主通道(通道1和通道2)可独立配置为升压、降压、SEPIC、ZETA、反激或反相DC/DC转换器,以适应不同应用需求。两个通道均采用恒定频率、电流模式控制方案,以实现良好的线路和负载调节(详见框图)。通道1的时钟与内部振荡器或SYNC引脚同步(如SYNC有信号)。为减少瞬态开关尖峰,通道2的时钟与通道1的时钟相差约180°。
在每个时钟相位开始时,SR锁存器(SR11/SR12)被置位,打开相应通道的内部功率开关(Q1/Q2)。放大器(A41/A42)和比较器(A31/A32)监测流经功率开关的电流,当电流达到由VC1/VC2引脚电压设定的阈值时,开关关闭。误差放大器通过连接至FB1/FB2引脚的外部电阻分压器检测输出电压,并调节VC1/VC2电压。如果误差放大器输出(VC1/VC2)升高,则输出电流增加;反之则减少。VC1/VC2电压的内部钳位功能可实现电流限制。
两个主通道均配有电源良好(PowerGood)比较器,当相应FB引脚电压达到设定值的92.5%时触发。PG1和PG2输出由开漏N沟道MOSFET驱动,当相应输出处于稳压状态时,MOSFET关闭,允许外部电阻将PG1/PG2引脚拉高。PG1和PG2引脚状态仅在相应通道启用且Vin1高于2.6V时有效。
Skyhook通道
当任一通道配置为降压、ZETA或单电感反相转换器时,相应的Vin引脚必须被提升至高于输入电压Vcc。该提升电压为Q1和/或Q2NPN功率开关提供基极电流。Skyhook通道提供此提升电压至SHOUT引脚,该引脚需根据需要连接至Vin2和/或Vin1。
Skyhook是一个恒定频率、电压模式的升压转换器,内部集成了肖特基二极管。Skyhook输出(SHOUT)被调节至高于C2引脚一个固定电压(典型值为4.25V),C2引脚需连接至一个直流电压(通常为Vcc)。如果不需要Skyhook,可通过将C3引脚接地来禁用它,这也会降低从Vin1汲取的电流。有关Skyhook的正确使用方法,请参考“应用信息”部分。
Skyhook的工作原理如下:误差放大器通过SHOUT-C2电压比较器检测输出电压(SHOUT),并调节内部控制电压。该控制电压决定每个周期中Q3功率开关的导通时间,从而控制输送至SHOUT的电流。环路补偿已集成在芯片内部。比较器A43监测功率开关Q3的电流,以检测过流情况。如果检测到超过500mA(典型值)的电流,Q3将立即关闭。
启动操作
LT8471提供多项功能以实现干净启动:
首先,OV/UV引脚电压由内部电压基准监测,以提供精确的开启电压范围。可从输入电源到OV/UV引脚连接外部电阻(或电阻分压器),实现用户可编程的欠压和过压锁定功能。
其次,软启动电路可逐步提升主通道的开关电流,以及Skyhook通道的占空比,从而更好地控制启动期间的电流变化。当芯片从关断状态唤醒时,外部SS电容首先被放电(以防止OV/UV引脚干扰和缓慢上升)。随后,内部250kΩ电阻将SS引脚拉高至约2.15V。通过连接外部电容至SS引脚,可设定电压上升速率。软启动电容的典型值为100nF至1μF。
最后,当相应FB引脚电压低于特定阈值时,主通道的开关频率会降低2、4或8倍(详见“典型性能特性”部分)。该功能可降低芯片可实现的最小占空比,从而在折返(foldback)期间禁用斜率补偿,增加可输送至输出的电流。
热关断操作
框图中未显示的是热关断电路。当芯片温度超过约164°C时,SR21和SR22锁存器将被置位。待温度降至约162.5°C以下后,将启动完整的软启动周期。热关断电路用于保护功率开关及连接到LT8471的外部元件。