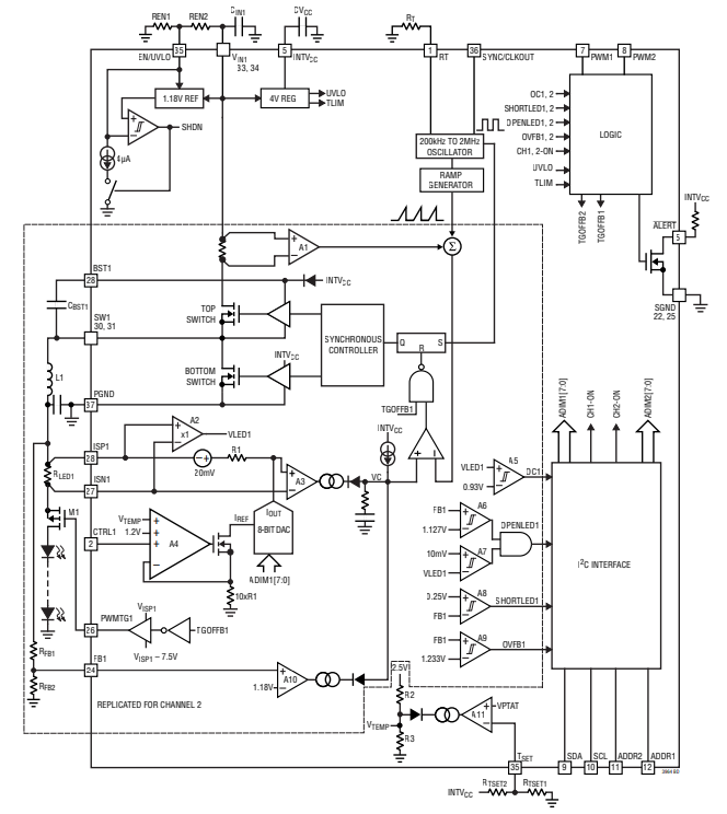
LT3964 是一款双路、恒频、电流模式降压型 DC/DC 转换器,集成同步功率开关。理解其工作原理最直观的方法是参考芯片的框图。
正常工作时,若 PWM 引脚为低或 CH1/2_ON 信号为低,TGOFFB 被关闭:功率开关关断,PWMTG 引脚被拉高至 ISP 以关断 PMOS 断开开关,ISP 与 ISN 引脚的偏置电流降至几微安。

当 PWM 引脚与 CH1/2_ON 信号一起变高后,经短暂延时 PWMTG 变低;同时下管先短时导通,为自举电容刷新电荷,随后上管导通。
与上管电流成比例的电压信号叠加稳定斜率补偿斜坡后,作为电流检测信号送入 PWM 比较器负端。上管导通期间,外部电感电流线性上升;当该电流检测电压超过误差放大器输出 Vc 时,锁存器复位,上管关断。
上管关断期间,同步下管保持导通,直至下一时钟周期开始或电感电流降为零。若过载使下管电流超过 2 A(典型值),则下一周期被推迟,直到电流回到安全值。
每个振荡周期结束时,内部斜率补偿等信号复位,振荡器发出置位脉冲,新周期开始。通过这一重复动作,PWM 控制算法建立开关占空比,以调节负载电流或电压。
Vc 信号在多个开关周期内积分,其大小是 LED 电流检测电压(ISP–ISN)与目标值(由 CTRL 引脚与 I²C 的 ADIM[7:0] 设定)差值的放大结果。借此,误差放大器设定正确的上管峰值电流,使 LED 电流保持稳态。若 Vc 升高,则要求更大开关电流;反之则减小。
CTRL 引脚的模拟输入与 ADIM[7:0] 数字输入可组合使用:既可通过 CTRL 实现温度折返保护,又可通过 I²C 完成模拟调光;或者 CTRL 做模拟调光,I²C 做 LED 分档修正。
在电压反馈模式下,工作过程与上述类似,只是 Vc 节点电压由内部 1.18 V(典型值)基准与 FB 引脚电压的差值放大决定。
若 FB 低于基准,则上管电流增大;若 FB 高于基准,则上管电流减小。
LED 电流检测反馈与电压反馈相互钳制:FB 不会超过内部基准,同时 ISP–ISN 电压也不会超过 CTRL 模拟量与 ADIM[7:0] 数字量乘积所设的阈值。
为了获得精确的恒流或恒压调节,必须确保在正常工作条件下对应的环路占主导。
若要完全关闭电压环路,可通过电阻网络把 FB 设定在 0.3 V–1.08 V(参考 INTVcc)。
若要完全关闭 LED 电流环路,则将 ISP 与 ISN 短接,并把 CTRL 接至 INTVcc。