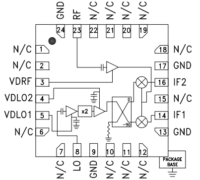
HMC966LP4E 是一款紧凑型 GaAs MMIC I/Q 下变频器,采用无铅、符合 RoHS 标准的 SMT 封装。该器件在小信号下提供 14 dB 的转换增益、2.5 dB 的噪声系数,并在整个频段内实现 40 dBc 的镜像抑制。HMC966LP4E 内部结构为 LNA 后接镜像抑制混频器,混频器由一个主动 ×2 倍频器驱动。

镜像抑制混频器省去了 LNA 后的滤波器,并抑制了镜像频率处的热噪声。芯片提供 I 和 Q 两路混频输出,需外接 90° 移相器以选择所需边带。
HMC966LP4E 体积远小于传统的混合式镜像抑制下变频组件,且兼容表面贴装生产工艺。
具备的特征
转换增益:14 dB
图像抑制:40 dBc
2 LO到RF隔离:40 dB
噪声系数:2.5 dB
输入IP3:0 dBm
24芯4X4毫米SMT封装:16mm²
HMC966LP4E非常适合:
•点对点和点对多点无线电
•军用雷达、电子战和电子情报
•卫星通信
如有型号采购及选型需求,可直接联系兆亿微波电子元件商城。