AD8250是一款具有数字式可编程增益的仪表放大器,拥有GΩ级输入阻抗、低输出噪声和低失真等特性,因此适合用来与传感器接口及驱动高采样速率模数转换器(ADC)。那么,它的操作原理是什么呢?下面就简单了解一下吧!
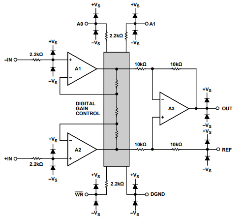
AD8250 是一款基于经典三运放拓扑结构的单片仪表放大器,如下图所示。它采用 Analog Devices, Inc. 专有的 iCMOS® 工艺制造,提供精密、线性的性能和稳健的数字接口。

并行接口允许用户以数字方式编程增益为 1、2、5 和 10。增益控制通过切换内部精密电阻阵列中的电阻来实现(如上图所示)。虽然 AD8250 具有电压反馈拓扑结构,但增益带宽积在增益为 1、2 和 5 时会增加,因为每个增益都有自己的频率补偿。这导致在较高增益时具有最大带宽。
所有内部放大器都采用失真消除电路,实现高线性度和超低 THD。激光修整电阻允许 G = 1 时的最大增益误差小于 0.03%,G = 10 时的最小 CMRR 为 98 dB。
针对高频高 CMRR 优化的引脚排列使 AD8250 能够提供保证的 80 dB 最小 CMRR(G = 1,50 kHz)。平衡输入减少了过去对 CMRR 性能产生不利影响的寄生效应。