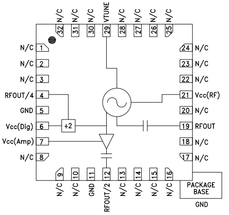
HMC632LP5(E) 是一款基于 GaAs InGaP 异质结双极晶体管(HBT)技术的单片微波集成电路(MMIC)压控振荡器(VCO)。该器件内部集成了谐振器、负阻器件、变容二极管,并提供半频(Fo/2)和四分频(÷4)输出功能。
得益于其单片结构,该 VCO 在温度变化、机械冲击及工艺偏差下仍能保持优异的相位噪声性能。在 +5 V 供电电压下,典型输出功率为 +9 dBm。若不需要预分频器或 RF/2 输出功能,可将其禁用以降低功耗。

该电子元件压控振荡器采用无引线 QFN 5×5 mm 表面贴装封装,无需任何外部匹配元件即可正常工作。
特征
双路输出:
基频输出 Fo = 14.25 – 15.65 GHz
半频输出 Fo/2 = 7.125 – 7.825 GHz
输出功率 Pout:+9 dBm(典型值)
相位噪声:@100 kHz 偏移处为 -107 dBc/Hz(典型值)
无需外部谐振器
封装:32 引脚 5×5 mm 表面贴装(SMT),面积 25 mm²
常见应用
•点对点/多点无线电
•测试设备和工业控制
•卫星通信
•军事最终用途