HMC349ALP4CE 采用一块 4 层评估板 进行性能验证。
每层铜厚为 0.5 oz(约 0.7 mil)。
顶层介质材料为 10 mil Rogers RO4350,提供优异的高频性能;
中间层与底层介质材料为 FR-4 型材料,以实现整体板厚 62 mil。
所有 RF 和直流走线均布设在顶层铜层,内层与底层为接地平面,为 RF 传输线提供稳固的地参考。
RF 传输线采用共面波导(CPWG)模型设计:
线宽:13 mil
接地间距:10 mil
特性阻抗:50 Ω
为实现良好的 RF 性能和热管理,尽可能多地使用镀通孔(plated-through vias)围绕传输线布置,并连接至封装底部裸露焊盘下方的地平面。
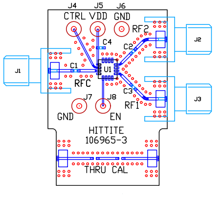
HMC349ALP4CE 评估板俯视图说明(如下图)

封装上的接地引脚直接连接到地平面,该地平面同时连接至标有 “GND” 的直流引脚(J6 和 J7)。
单一电源输入端口连接至标有 “VDD (5)” 的直流引脚。
提供一个未贴装的旁路电容位置,可用于滤除电源走线上的高频噪声。
两个控制端口分别连接至 CTRL 和 EN 引脚(J4 和 J8)。
RF 端口通过 PC 安装式微型 SMA 连接器接入:
RFC → J1
RF1 → J3
RF2 → J2
在 RF 传输线上使用了三个 100 pF 隔直电容(C1、C2、C3),用于隔离直流分量。
另设有一条贯穿式传输线,连接两个未贴装的 RF 连接器(J4 和 J5),可用于测量并消除 PCB 本身的插入损耗。