在布置 ADA4899-1 电路板时,仔细且深思熟虑地关注细节将产生最佳性能。电源旁路、寄生电容和元件选择都会影响放大器的整体性能。
PCB 布局
由于 ADA4899-1 可以工作在高达 600 MHz 的频率下,因此必须采用射频(RF)电路板布局技术。应清除 ADA4899-1 引脚下方的所有接地层和电源层的铜箔,以防止在输入引脚对地和输出引脚对地之间形成寄生电容。如果在安装焊盘下方没有清除接地层,SOIC 封装的单个安装焊盘可能会向对地电容增加高达 0.2 pF 的电容。ADA4899-1 的低失真引出脚布局减少了输出与放大器反相输入端之间的距离。这有助于最大限度地减少反馈路径的寄生电感和电容,从而减少振铃和二次谐波失真。
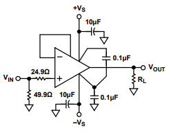
电源旁路
ADA4899-1 的电源旁路已针对频率响应和失真性能进行了优化。下图显示了旁路电容的推荐值和位置。电源旁路对于稳定性、频率响应、失真和电源抑制比(PSR)性能至关重要。下图中所示的 0.1 µF 电容应尽可能靠近 ADA4899-1 的电源引脚。电解电容应直接紧邻 0.1 µF 电容。两个电源之间的电容有助于改善 PSR 和失真性能。在某些情况下,额外的并联电容有助于改善频率和瞬态响应。

接地
尽可能使用接地层和电源层。接地层和电源层可以降低电源层和接地回路的电阻和电感。输入、输出端子、旁路电容和 RG的回路应尽可能靠近 ADA4899-1。输出负载地和旁路电容地应返回到接地层上的同一点,以最大限度地减少寄生走线电感、振铃和过冲,并改善失真性能。ADA4899-1 封装具有一个外露焊盘。为了获得最佳的电气和热性能,请将该焊盘焊接到地。