对于TCA9534A的印刷电路板(PCB)布局,必须遵循常见的PCB布局实践,但与高速数据传输相关的其他问题,如匹配阻抗和差分对,并不影响I²C信号速度。
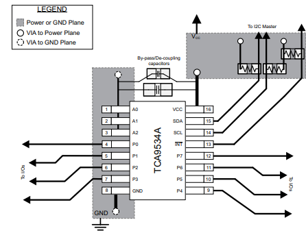
在所有PCB布局中,最佳做法是避免信号迹线成直角,在离开集成电路(IC)附近时将信号迹线彼此扇出,并使用较厚的迹线宽度来承载通常通过电源和接地迹线的较高电流量。旁路和去耦电容器通常用于控制VCC引脚上的电压,在电源短路的情况下使用较大的电容器提供额外的电力,使用较小的电容器滤除高频纹波。这些电容器必须尽可能靠近TCA9534A放置。这些最佳实践如文末图片所示。
对于文末图片中提供的布局示例,通过使用顶层进行信号布线,底层作为电源(VCC)和接地(GND)的分割平面,可以制造出只有2层的PCB。然而,对于具有更高密度信号布线的板,4层PCB是优选的。在4层PCB上,通常在顶层和底层路由信号,将一个内层专用于接地平面,将另一个内层专门用于电源平面。在使用平面或分割平面进行电源和接地的电路板布局中,通孔直接放置在需要连接到VCC或GND的表面安装元件焊盘旁边,通孔电连接到电路板的内层或另一侧。当信号迹线需要路由到电路板的另一侧时,也会使用通孔,但文末图片中没有演示这种技术。
