射频/微波混频器位于每个射频收发器系统的中心,是在发射端将基带信号转换为射频的基本元件,反之亦然。所有混频器都有三个端口,一个用于中频或基带 (IF),一个用于本地振荡器或载波 (LO),另一个用于射频信号 (RF)。在发射路径中,IF 和 LO 输入组合成一个 RF 输出;在接收端,RF 和 LO 组合并下变频为 IF 输出。在这两种情况下,两个输入信号被“混合”以在输出端产生两个新信号——和频 (LO +RF) 和差频 (LO – RF)。取决于是否需要上转换或下转换,这些混合产物中的一种被抑制。RF 混频器的基本框图如图 1 所示。

现实世界的混音器有多种口味。Mini-Circuits 提供数百种独特的混频器模型,代表六种不同的电路拓扑。好消息是,这种多样性为设计人员提供了几乎所有应用需求的选择。这个问题虽然是一个高级问题,但理解混频器设计之间的差异可能会使组件选择过程复杂化。
本文将提供不同混频器拓扑的广泛概述,包括平衡和非平衡架构。需要注意的是,理论上,任何非线性器件都可以用来制作混频器,但最常见的是肖特基二极管和场效应晶体管(FET)。Mini-Circuits 设计了基于二极管和 FET 的混频器,但为简单起见,此处的拓扑将使用二极管混频器来呈现。然而,同样的原理也可以应用于其他技术。
不平衡(单二极管)混频器
单个二极管或不平衡混频器是最简单和最古老的混频器拓扑。单二极管混频器基本上是一个双端口器件,RF 和 LO 组合并馈入二极管,IF 传送到二极管的另一侧。该拓扑的示意图和时域响应如图 2 所示。

不平衡混频器的限制之一是除了所需的中频频率(和或差)外,输出频谱还包括射频和本振信号内容,因此需要一个窄带中频滤波器来抑制射频和本振频率分量的输出信号。图 2 中的输出 RLC 谐振回路经过调谐以匹配 IF 频率。这意味着单设备混频器具有相当窄的中频带宽,因为它没有端口隔离。单二极管混频器用于经济的接收器前端,带通滤波器可用于输入和输出以分离 LO、RF 和 IF 信号。但是,如果 RF 和 LO 频率重叠并且滤波要求变得过于困难,它们可能会出现问题。
不平衡二极管混频器的优缺点
优点
在毫米波段非常有用
经济
最低本振要求
缺点
没有隔离
过滤导致窄操作带
不抑制 LO AM 噪声或互调产物
单平衡混音器
通过使用两个二极管和一个 180° 混合耦合器作为巴伦,单平衡混频器可以在不使用滤波器的情况下从 IF 输出中去除 LO 或 RF 内容。早期的宽带接收器使用 90° 混合组合器,它仍然将 RF 和 LO 分开,但隔离度取决于二极管的阻抗匹配程度。180°混合耦合器解决了这个问题。[来源 09-21] 这种技术隔离 RF 和 LO 端口并减少不需要的互调产物。RF 和 LO 信号被施加到混合器的 sum 和 delta 端口,两个输出分别为一个二极管供电,一个面向混合器,另一个远离。两个二极管的外端连接在一起作为 IF 输出。根据配置,只有 LO 或 RF 会与 IF 一起出现(施加到混合器 180° 端口的输入信号将是平衡的,不会出现在 IF 输出上)。单平衡混频器的框图如图 3 所示。

单平衡混频器的示例示意图如下图 4 所示,在 RF 和 LO 输入端口具有 180° 混合,在 IF 输出端口(L1、C2 和 C3 网络)具有低通滤波器 (LPF)。LO 是平衡的并驱动肖特基二极管的开/关动作。RF 信号通过一个接地电容器 (C1) 以及一个专用低通滤波器 (LPF) 抑制 IF 输出。在较高的 LO 功率下,二极管会自偏置,导致不可接受的转换损耗和隔离。为了避免这种情况,RF 扼流圈 (RFC) 在耦合器和二极管之间被分流到地。

在平衡混频器中,单平衡混频器需要最少的 LO 功率。IF 输出的 LO或RF 抑制通常在 20 到 30 dB 之间。
单平衡混频器拓扑的优缺点
优点
需要最少的平衡类型的 LO
抑制来自 LO 的 AM 噪声
(不平衡不会)
缺点
仅隔离 RF 或 LO,无需滤波
过滤导致窄操作带操作
需要比不平衡更多的 LO
线性不如双平衡
比双平衡更多的转换损失
双平衡混合器
双平衡混频器拓扑具有四个呈环形或星形配置的二极管以及两个巴伦(RF 和 LO 各一个),并在 IF 输出端提供对 LO 和 RF 成分的抑制。这意味着所有端口本质上都是相互隔离的,无需过滤。这是由于环形二极管电路和宽带巴伦的综合特性。
与单平衡混频器相比,双平衡二极管混频器具有更高的线性度和更少的杂散发射。它们还往往具有更好的转换效率,并且可以实现更宽的带宽,因为在 IF 端口不需要滤波。然而,这种混频器架构需要更高的 LO 驱动电平,并且端口对无功端接高度敏感。
双平衡混频器的理想应用是成本较低的应用,在这种应用中,本振功率适中,RF 和 IF 频率不重叠。

图 6:双平衡二极管混频器的简化框图。
图 6 中框图的示例双平衡混频器示意图如图 7 所示。IF 信号从 LO 和 RF 巴伦分接。为 RF 和 LO 端口使用单独的巴伦可在 RF 和 LO 端口之间提供隔离,与不平衡混频器相比,可降低互调产物的水平。

图 7:双平衡二极管混频器的详细原理图。
双平衡二极管混频器的优缺点
优点
RF 和 LO 的固有隔离
比单平衡更线性
与单平衡相比,杂散更少
宽带设备(无需过滤)
缺点
需要比单平衡更多的 LO
对反应性终端敏感的端口
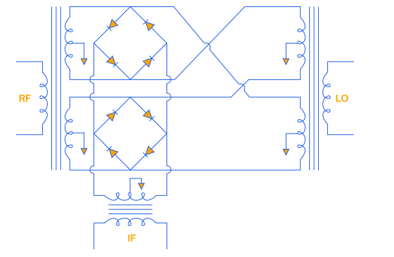
三重平衡
三平衡混频器拓扑进一步提高了双平衡设计的线性度,但也需要更高的 LO 功率电平才能运行。三平衡混频器使用八个二极管和几个巴伦,有时被称为“双双平衡”,因为它由推挽配置的两个双平衡混频器组成。
三平衡混频器的框图如图 8 所示,更详细的原理图如图 9 所示。RF 和 LO 端口需要两个混合器,IF 端口需要一个混合耦合器。

图 8:三平衡二极管混频器的框图。

图 9:三平衡二极管混频器的详细原理图。
与双平衡混频器拓扑相比,这种架构提供了更好的杂散和互调产物隔离和抑制。三重平衡混频器还具有较宽的中频带宽。三平衡混频器非常适合需要将宽带信号从一个频率范围转换到另一个频率范围且互调产物最少的应用。
三重平衡混频器拓扑的优缺点
优点
比双平衡更好的线性度
宽带应用的理想选择
射频/中频重叠情况的理想选择
缺点
需要比双平衡更多的 LO
不平衡和平衡混频器拓扑的总结比较
下表提供了迄今为止介绍的所有平衡混频器拓扑的广泛比较。

智商混频器
IQ 中的“I”代表“同相”,“Q”代表“正交”。IQ 混频器允许使用正交调制分别处理两个频率边带,其中相位成为数据传输中的一个变量。正交调制最终使双边带传输中的信息内容加倍,因为每个边带可以包含不同的信息。IQ 混频器的框图如图 10 所示。

图 10:IQ 混频器框图。
一个 IQ 混频器包括两个混频器,每个混频器的 LO 相位通过一个混合耦合器与另一个相移 90°。一个混频器处理同相 LO 分量,另一个处理正交分量。I和Q输出信号是基带信号组合成RF信号进行传输。在接收器,该过程相反,RF 信号被分离回 1 和 Q 基带通道。此处讨论的任何不平衡或平衡混频器拓扑均可用于创建 IQ 混频器配置。
Mini-Circuits 使用术语调制器/解调器对 IQ 混频器产品进行分类,可在网站的“调制器/解调器”部分找到。

图 11:镜像抑制/单边带混频器的框图。
IR/SSB 混频器是一种 IQ 混频器,带有一个由 I 和 Q 端口馈电的附加混合耦合器。这个附加耦合器的目的是取消一个带有端接负载的边带端口。剩余的耦合器端口用作混频器的输出(IR/接收)或输入(SSB/发射)。上面讨论的任何不平衡或平衡混频器拓扑均可用于创建 IR/SSB 混频器配置。